Tel: (86)631 5967991 / 5967992
Fax: (86)631 5967906
中文版
|
English
首页
公司简介
公司介绍
荣誉资质
公司历史
产品中心
公制指示表
千分指示表
杠杆齿轮比较仪
普通指示表
双面指示表
防震指示表
防水指示表
防震防水指示表
大量程指示表
小型指示表
硬度计专用表
端面指示表
单转指示表
英制指示表
0.0001”英制表
0.001”英制表
0.0005”英制表
大量程英制指示表
小型英制指示表
英制防水指示表
电子数显表
电子数显表
杠杆指示表
公制杠杆指示表
端面杠杆指示表
大量程倾斜杠杆指示表
倾斜杠杆指示表
锌铝合金杠杆指示表
英制杠杆指示表
公英制杠杆指示表
小型换向杠杆指示表
英制大量程杠杆指示表
英制倾斜杠杆指示表
英制加长测头杠杆指示表
英制端面杠杆指示表
内径指示表
公制内径千分表
英制内径万分表
可调式内径量表标定仪
数显内径指示表
公制内径百分表
公制内径百分表(螺纹式可换测头)
公制内径百分表(插制式可换测头)
公制龙眼式内径百分表
公制加长和弯杆内径百分表
大活动测头行程内径百分表
整体不锈钢高端内径百分表
涨簧式内径百分表
英制数显内径指示表
英制内径指示表
英制加长内径指示表
英制弯杆内径指示表
带表卡规
数显卡规
公制带表内卡规
公制带表外卡规
英制带表内卡规
英制带表外卡规
大量程带表外卡规
大测深带表内卡规
快速卡规
带可换测头高精度内卡规
对刀器
定中心杠杆指示表
对刀器(Z轴设定器)
测厚规
测厚规
袖珍测厚规
十分测厚规
管厚规
数显测厚规
其他产品
深度百分表
带表万能角度尺
万能角度尺
磁性表座
角度表
硫化机测力表
数显半径规
新闻动态
公司新闻
展会信息
技术支持
下载专区
防伪说明
常见问题
联系我们
首页
›
产品中心
›
公制指示表
›
千分指示表
收藏本页
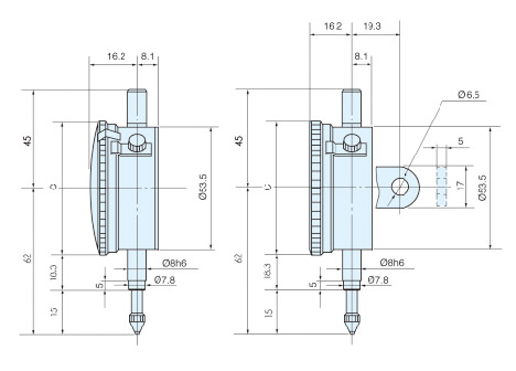
千分指示表
218-113
性能及特点
钢制表体
宝石轴承
封闭式防尘帽
带表圈锁紧装置
常规供货为塑料平后盖
主要技术参数
外形尺寸图 (mm)
产品分类
公制指示表
英制指示表
杠杆指示表
内径指示表
带表卡规
测厚规
对刀器
电子数显表
其它产品
热门产品
测厚规
619-211C
数显测厚规
620-121
公制杠杆指示表
411-102
防震指示表
211-020A
测厚规
615-101