Tel: (86)631 5967991 / 5967992  Fax: (86)631 5967906

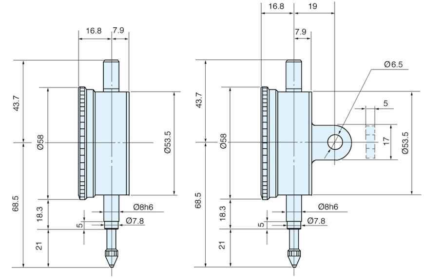
防震指示表 211-020A

防震指示表

211-020A
  • 性能及特点
  • 钢制表体

    宝石轴承

    齿轮防震机构211系、齿轮防震机构233系

    齿条防震机构

    半封闭式防尘帽

    常规供货为塑料平后盖

    可根据用户要求提供金属平后盖及金属耳后盖

211-020A(图1)