Tel: (86)631 5967991 / 5967992  Fax: (86)631 5967906

硫化机测力表 227-010

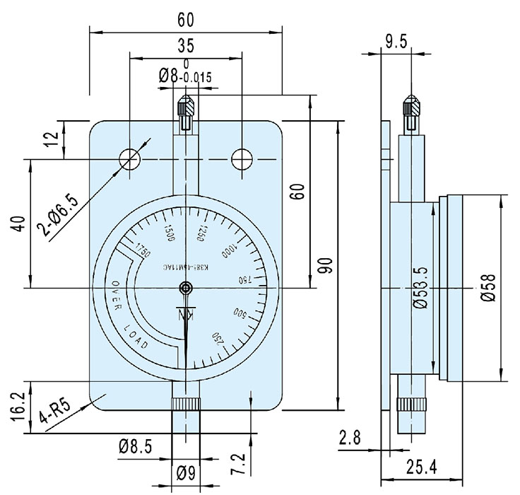
硫化机测力表

227-010
  • 性能及特点
  • 硫化机测力表是轮胎定型硫化机的专用指示表,工作时硫化机受力钢杆在合模力作用后产生弹性变形,由连杆推动测力表量杆作直线位移,经机械齿轮机构传动放大,转变为指针在刻度盘上的角位移,由指针在刻度盘上指示读数的测量器具。

227-010(图1)